多功能剧场音响、灯光、LED显示屏及舞台机械系统的整体设计方案
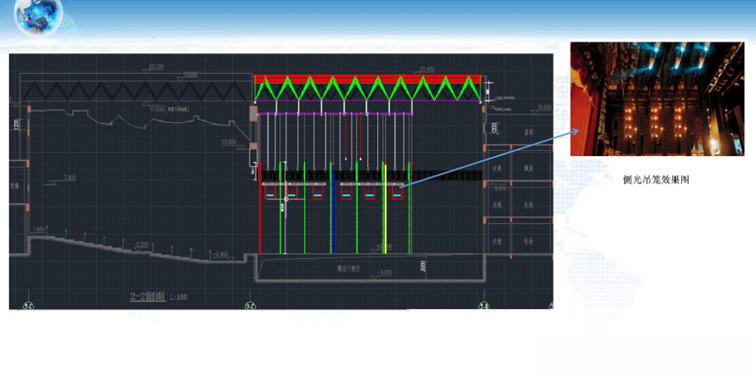
以下是某大学一个多功能剧场音响、灯光、LED显示屏及舞台机械系统的整体设计方案。这个设计方案涵盖了不同系统的主要组成部分及其功能,以确保剧场的各个方面都能有效运作。 项目概述 该多功能剧场 ,主要用于学术报告,同时可以满足视频会议、、文艺演出、音乐演唱会、综艺歌舞晚会、话剧、舞剧、电影等各种用途,音响、舞台灯光、舞台机械、舞台幕布及视频系统等是此演艺厅建设的重要组成部分,其方案设计是否合理、科学、先进、完善、实用,设备选型是否稳定、安全可靠,系统是否智能控制、容易管理和方便操作必将直接影着整个礼堂的质量和演艺效果。因此,系统尽量选用国内外知名品牌等专业设备。本扩声系统实际功率19KW,具备用电功率25KN、灯光系实际功率180KN、具备用电功率280KN、LED屏实际功率90KW,具备用电功率110KW、舞台机械实际功率10KW(与音响灯光、LED屏幕不同时联动使用),音响、灯光、舞台机械、LED屏实际用电为288KW,具备用电量功率390KW就可以满足整套系统设备的正常工作,。舞台面积约为长43m,深26m,台口宽24m,净高16m。 主舞台区域栅顶钢架自重10000kg,吊杆、幕布、对开轨道、灯光等设备挂载重量11600kg,吊杆机20台重量2200kg置于二层天桥左右两侧。 舞台载荷说明: 1、舞台区域承重葡萄架重量约22921kg 2、舞台区域所有顶光吊杆自身及灯具重量约500kq/道,24道x500=12000kg 3、舞台区域幕布轨道自身及幕布重量约800kg/道,4道x800=3200kq;横竖条幕及吊杆重量约300kg/道,7道x300=2100kg 4、吊杆机设备自重约100kg/台,24台x100=2400kg 5、舞台葡萄架约648m?,总重量约:43t,每平方需承重200kg 本次设计以节能减排的标准所设计的扩声系统、灯光系统、舞台机械系统及LED屏显示系统,满足整个剧场的音视频及舞美的最佳效果。 一、扩声系统设计说明 1.音响设计指标 多功能剧场兼容文艺演出、会议、开学典礼等其他形式,因此在声学设计指标上综合参考相关的规范后,确定以GBT28049-2011《厅堂、体育场馆扩声系统设计规范》中“多用途类扩声系统声学特性指标一级”为标准,最后确定设计指标如下: ![]() ![]() 2.音响品牌简介 本次多功能剧场音响系统采用了世界知名品牌:美国BOSE BOSE公司由美国原省理工学院电子工程教授AmarG.Bose博一创建于1964年,是世界一最早的扬声器生产商之一,也是心内“原音重现技术”的革新者,显在1950年,还本麻省理工学院的政读研究生的AmarG.Bose博土在一次偶然的机会中发现当时的扬声器并不能很好地传送直实自然的声音,对科学的满腔热情保使AmarG.Bose博十开始了对声音及小理声学的研究探索通过对人类感觉还原、电子感觉还原的声音与电子仪器测量的声音之间的深入研究,AmarG.Bose博士发明了新的音频技术,1968年,Bose率先打破传统并摆脱巨型设计,发明丁901:emoi:直接/反射emoi;扬声器,让您在房间的不同位置都能感受到自然和真实的立体声效果,该项发明在国际上广受赞誉,并以此建立了在业界的口碑,Bose在科技上的新发明层出不穷。音频导波管扬声器技术是Bose历经14年的研究成果,并获得美国发明家奖。 3.多功能剧场扬声器的布置方式设计说明 音箱布置是在整个扩声系统中最为重要的一个环节,要达到全部观众席上的声压分布均匀,观众席有良好的声像一致感,有效的控制声馈点,系统可根据需求,通过工作模式转换,准确实时地进入最佳工作状态,从而确保在任何模式下,获得可靠、满意的扩声效果,考虑到大厅的空间的大小和观众席的面积、结构以及功能定位要求。 本次音响系统设计我们分别在舞台两侧悬挂两串线阵,左右各3只,分别为90度Hx40度VRo0mMatch RM9040覆盖观众席近场区域,70度Hx20度VRoomMatchRM7020覆盖观众席的中场区域,55度Hx10度VRoomMatchRM5510覆盖观众席的远场区域,4只超低音扬声器KX728S可令陈列低频下潜至30HZ。台口分别摆放2只恒定指向性阵列模块扬声器 RoomMatch@ UHtY RMU206作为台唇音响,为了满足不同演出的需求,我们设计了固定这听音箱但定指向性阵列模块汤声器 RoomMatch@ UHIY RMU2084只,流动这听音箱恒定指向性阵列模块扬声器 RoomMatch® Utility RMU208 4只,使整套设备更加完整,让观众体验到更加完美的效果。 1)多功能剧场扬声器布局图一 ![]() 2)多功能剧场扬声器布局图二 ![]() 3)多功能剧场扬声器布局图三 ![]() 4)多功能剧场扬声器分布效果图 ![]() 5)BOSE音响扩声系统声学模型和扬声器布局平面图 ![]() 6)BOSE音响扩声系统声学模型和扬声器布局剖面图 ![]() 7)BOSE音响扩声系统声学模型和扬声器布局立面图 ![]() 8)BOSE音响扩声系统声学模型和扬声器布局内视图 ![]() 9)BOSE扩声系统扬声器详细参数表 ![]() 10)BOSE音响扩声系统1-4KHZ直达声场均匀度计算结果;平均声压108dB-SPL ![]() 11)BOSE音响扩声系统31-16KHZ直达声场均匀度计算结果:平均声压114dB-SPL ![]() 12)BOSE音响扩声系统1-4KHZ直达+混响声场均匀度计算结果;平均声压108.5dB-SPL ![]() 13)BOSE音响扩声系统31-16KHZ直达+混响声场均匀度计算结果;平均声压116dB-SPL ![]() 14)BOSE音响扩声系统语吉清晰度指标STIEnglish=0.90 ![]() 15)多功能剧场音响系统连接示意图 ![]() 二、灯光系统设计说明 1.灯光设计说明 1)灯光功能 多功能剧场“舞台灯光系统工程”的设备配置,依据技术先进、节能环保和安全可靠的设计目标,并满足以下要求:能够满足剧场节目制作的使用要求。能够满足各类型访谈、演出等节目。 能够满足现场直播或录制的灯光需求,适应国内外灯光设计和灯光操作人员的管理和使用。 2)设计指标 照度指标:主要表演区白光照度不低于1000Lux,平均照度>800Lux主要表演区显色指数:Ra>90。 色温:5600K(+150K),电脑灯6000K-2700K线性调节3)设计原则 设备选型要求可靠性高、性能优良、价格合理 安全、可靠是永恒不变的话题,它是高性能舞台专业照明系统所要求最基本保障条件,所提供的系统设备及工程安装必须是安全、可靠的。 系统要求具有良好的兼容性和可扩展性。 4)工艺设计的标准及规范 A、通用部分 《民用建筑电气设计规范》JGIT 16-2008 《建筑设计防火规范》GB50016-2006 《智能建筑设计标准》GBTT 50314-2006 《综合布线工程设计规范》GB50311-2007 《综合布线工程验收规范》GB50312-2007 《电气装置安装工程 接地装置施工及验收规范》GB50169-2006 B、灯光部分 《舞台灯具光学质量的测试与评价》WH-0204-1999 《电气照明和类似设备的无线电骚扰特性的限值和测量方法》GB17743-2007 《投光照明灯具光度测试》GBT7002-2008 《舞台灯光、电视、电影及摄影场所(室内外)用灯具安全要求》GB7000.217-2008 《舞台灯光系统工艺设计导则》 WHTT 40-2011 《舞台灯光设计常用术语》WH/T31-2008 《DMX512-A灯光控制数据传输协议》WHTT32-2008 《舞台灯具通用技术条件》WHIT41-2011 5)灯光灯位布置灯位布置为全方位立体分布,舞台面光、舞台顶光、侧光、耳光等区位构成全方位布光阵列,舞台名表演区域均有布光点,无死区,可灵活多变地按需组合。 6)灯光布置设计特点 采用立体的布光方法; 强调灯光对三维空间的表达力度, ![]() 采用基础光和轮廓光配合使用; -可以引导观众关注画面主体,掩蔽次要部分 ![]() 合理配置智能电脑灯效果设备; 给观众最直接的视觉效果,增强灯光的艺术感染力。 ![]() 在特殊的位置增加定点光; 配合部分固定位置的人或景的照明。 ![]() 2.多功能剧场舞台灯光系统布局平面图 ![]() 3.多功能剧场舞台顶面灯光系统布局平面图 ![]() 4.多功能剧场舞台顶面灯光系统布局分解平面图 ![]() 5.多功能剧场舞台地面灯光系统布局平面图 ![]() 6.多功能剧场顶部、面光线缆及桥架平面布置图 ![]() 7、多功能剧场顶部、面光线缆及接口箱平面布置图 ![]() 8.多功能剧场灯光系统连接示意图 ![]() 9.多功能剧场舞台顶面灯光效果图 ![]() 10.多功能剧场舞台地面灯光效果图 ![]() 11.舞台灯光系统三合一电脑灯技术参数 ![]() 12.舞台灯光技术参数 ![]() 13.舞台灯光350W光东灯技术参数 ![]() 三、LED显示系统设计说明 1.多功能剧场LED主屏、副屏、会标屏立面图 ![]() 2.多功能剧场LED主屏、副屏、会标屏效果图 ![]() 3.LED显示系统连接示意图 ![]() 四、舞台机械系统设计说明 1.设计依据 《镜框台口箱型舞台的基本要求》 《剧院设备配置规范》(舞台机械部分)(修改三稿)《剧院建筑设计规范》JGJ57-2000J67-2001《建筑设计防火规范》 GBJ16-87(1997 年版)《舞台和影视用吊杆装置》ZBJ80011-88 《剧院舞台用大幕机械装置》ZBJ80017-89《电影乡电视舞台灯具通用技术条件》 GB/T14076-93《电气装置安装工程施工及验收规范》 GBJ232-90,92 《民用建筑电气设计规范》 JGJ/T 16-92 《钢结构设计规范》GBJ17-88 《起重机设计规范》 GB3811 《起重机安全规范》GB6067 《起重机试验规范和程序》GB5950 《智能建筑设计标准》GB/T50314-2000 《建筑电气设计规范》 《电子调光通用技术条件》 《电气装置安装工程施工及验收规范》GBJ232《电缆线路施工及验收规范》GB50168-92《接地装置施工及验收规范》GB50160-92《起重机机械安全规范》GB6067 《起重机试验规范和程序》GB5906 《机械设备安装工程施工及验收规范》J231-(四) 《安全防范工作程序与要求》GAT75 英国国家标准BS5323.1980、美国国家标准ANSIA92.7-1981、前苏联文化部的《剧院建筑设计标准与技术规定》等文本中符合中国国情的内容。 2.舞台基本工艺 舞台基本工艺指标 舞台机械设备由台上设备和台下设备两部分组成。 舞台机械台上设备:变频调悚对开大墓机、前沿墓品杆、电动品杆、横条幕品杆、对开二道墓、对开纱暮、灯光品杆,侧灯光品架、单点早机、舞台台上机,械电气与控制系统、舞台洲而事萄架、幕布系统。 舞台机械台下设备含:升降栏杆、舞台台下机械电气与控制系统。大幕是用来分嗝舞台与观众厅的第一道幕,设置于舞台台口处的大幕机,具有对开、提升的功能,可电动驱动、可调速,重复操作反应速度快。是使用最频繁的舞台机械。_道幕是分隔舞台表演区的专用设备,具有安装单,更换灵活等特点。二道幕可根据演出需要吊挂在任意一道电动吊杆上,具有对开、升降两种功能,是演出中换景、分区等理想的舞台格械设备。 设置于主舞台上部的电动吊杆,包括前幕吊杆、纱幕吊杆、横竖条幕吊杆等,用于提升各种幕布、二道幕等主舞台上配置了24道灯光吊杆以满足主舞台区演出的灯光要求。根据需要悬挂灯具。 3.多功能剧场舞台幕布轨道及灯光吊杆布局图 ![]() 4.多功能剧场舞台机械系统与灯光剖面分解图 ![]() 5.多功能剧场舞台幕布吊杆系统分解图 ![]() 6.多功能剧场合唱话筒电动吊挂示意图 ![]() 7.多功能剧场幕布效果图 ![]() 8.多功能剧场会议模式背景效果图 ![]() 以上就是一个多功能剧场音响、灯光、LED显示屏及舞台机械系统的整体设计方案,可根据具体项目增加某产品品牌的介绍及产品的功能技术特性等内容。 |









































